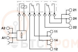
Модуль базовый PLC-BSC-230UC/21-21/SO46 от Phoenix Contact (артикул 2980429) — это ключевой компонент для построения модульных систем управления. Устройство предназначено для установки на монтажную рейку и служит основой для контроллеров серии PLC. Оно оснащено 21-позиционной клеммной колодкой с шагом 5.08 мм, что обеспечивает удобное и надежное подключение силовых цепей и цепей управления.
Модуль выполнен в компактном корпусе и рассчитан на рабочее напряжение до 230 В переменного тока. Благодаря своей универсальности и надежности, он находит широкое применение в промышленной автоматизации, машиностроении, системах управления освещением и в распределительных щитах. Модуль обеспечивает структурный и логичный монтаж, повышая безопасность и упрощая обслуживание сложных электроустановок.
Цена указана с НДС ориентировочно, для уточнения отправьте заказ и ожидайте счет с актуальными ценами и сроками поставки.
Модуль базовый PLC-BSC-230UC/21-21/SO46 от Phoenix Contact (артикул 2980429) — это ключевой компонент для построения модульных систем управления. Устройство предназначено для установки на монтажную рейку и служит основой для контроллеров серии PLC. Оно оснащено 21-позиционной клеммной колодкой с шагом 5.08 мм, что обеспечивает удобное и надежное подключение силовых цепей и цепей управления.
Модуль выполнен в компактном корпусе и рассчитан на рабочее напряжение до 230 В переменного тока. Благодаря своей универсальности и надежности, он находит широкое применение в промышленной автоматизации, машиностроении, системах управления освещением и в распределительных щитах. Модуль обеспечивает структурный и логичный монтаж, повышая безопасность и упрощая обслуживание сложных электроустановок.
Данный сайт является интернет-витриной компании «БТСпром».
Работаем исключительно с юридическими лицами по безналичному расчету!!!
Все представленные на нем данные, включая стоимость, носят исключительно информационный характер, позволяющий определить основные свойства, ассортиментный ряд и ориентировочную цену на данный вид продукции.
Для приобретения товара необходимо:
1) уточнить наличие товара на складе (возможность поставки под заказ) и действующую цену, связавшись с сотрудниками отдела продаж по:
- одному из телефонов компании;
- +37529 623-38-68
- +37529 643-38-68
- +37517 378-91-41
- +37517 379-78-65
- отправив заявку на e-mail: BTSprom@mail.ru ;
- или добавить интересующую позицию в «корзину» на сайте, внести свои контактные данные в форму обратной связи и отправить нашим менеджерам;
2) получить счет на продукцию и произвести его оплату (счет действителен в течении 3 дней);
3) оформить товаросопроводительные документы в офисе «БТСпром»;
4) получить продукцию на складе по адресу: г. Минск, ул. Серова, д. 4, (внутренний двор , с левой стороны рампа с табличкой «БТСпром» )
Внимание! Счет-протокол действителен в течение 3-х банковских дней.
Если вы не успели оплатить в течение 3-х дней, резерв по вашему счету будет снят автоматически. Вопросы с продлением резерва по счет-протоколу и подтверждением цен решается с Вашим персональным менеджером!
Отсрочка платежа возможна на договорной основе, и обсуждается с персональным менеджером.
Обязательно предоставьте уведомление об оплате в отдел реализации либо вашему менеджеру, иначе мы не можем гарантировать наличие либо готовность товара на складе.
Экономьте время на получении заказа.
Для получения продукции предоставьте следующие документы:
- заполненную доверенность (или приказ на руководителя),
- документ, удостоверяющий личность,
- копию платежа на оплату счета в случае предоплаты,
- счет- протокол согласования договорной цены, подписанный покупателем,
- договор.
В случае несоблюдения вышеуказанных требований продукция не отпускается.
Документы на бумаге для факса не принимаются!
- Курьерская доставка работает с 9.00 до 19.00. Когда товар поступит на склад, курьерская служба свяжется для уточнения деталей. Специалист предложит выбрать удобное время доставки и уточнит адрес. Осмотрите упаковку на целостность и соответствие указанной комплектации.
- Самовывоз со склада. Когда заказ поступит на склад, вам придет уведомление.
- Индивидуальный вариант ( оговаривается заранее)
МИНИМАЛЬНАЯ ПАРТИЯ ЗАКАЗА
Минимальная сумма выписки документов (ТН/ТТН) от 50 бел. Руб.
За дополнительной информацией обращайтесь к онлайн-консультанту, звоните менеджерам нашей компании либо пишите в форму обратной связи!
E-mail: BTSprom@mail.ru ;
Доставка - оговаривается в индивидуальном порядке.
