Комплект шин с шагом 130 мм предназначен для переднего присоединительного выдвижного элемента контактора Протон 40 (артикул 7007173). Изделие обеспечивает надежный и стабильный электрический контакт в силовых цепях.
Шины изготовлены из высококачественной электролитической меди, что гарантирует отличную проводимость, минимальный нагрев и длительный срок службы даже при высоких нагрузках. Стандартизированный шаг 130 мм упрощает монтаж и совместимость с оборудованием.
Основная сфера применения — комплектация и ремонт модульных контакторов серии Протон, используемых в промышленных распределительных щитах, системах автоматизации, для управления мощными электродвигателями и другими трехфазными нагрузками. Комплект необходим для организации главной силовой цепи ввода/вывода.
Комплект расширенных контактов предназначен для присоединения "плашмя" к стационарным исполнениям контакторов Протон 25. Монтажный шаг между центрами контактов составляет 1165 мм, что обеспечивает удобное и надежное подключение силовых цепей.
Изделие, артикул 7007154, изготовлено для повышения гибкости монтажа и расширения возможностей коммутации. Оно гарантирует безопасное и устойчивое электрическое соединение, соответствующее техническим требованиям к силовому оборудованию.
Основная сфера применения — комплектация и модернизация электротехнических шкафов, распределительных устройств и систем управления промышленным оборудованием. Комплект востребован в энергетике, машиностроении и на производственных предприятиях для организации вводов и выводов мощных нагрузок.
Комплект механизмов блокировки ПМЛ-(10-32А) УХЛ4 РЕГ от КЭАЗ предназначен для модернизации и ремонта рубильников серии ПМЛ. Устройство обеспечивает надежную коммутацию и блокировку цепей постоянного и переменного тока.
Основные характеристики: номинальный ток от 10 до 32 А, климатическое исполнение УХЛ4 для эксплуатации в умеренном и холодном макроклимате, степень защиты IP00. Комплект соответствует стандартам безопасности и включает все необходимые элементы для установки.
Сфера применения: используется в электрощитовом оборудовании, вводно-распределительных устройствах (ВРУ), главных распределительных щитах (ГРЩ), а также в цепях управления промышленных предприятий и гражданских объектов для обеспечения безопасного отключения питания и предотвращения несанкционированного доступа.
Изделие отличается высокой механической износостойкостью и обеспечивает четкую фиксацию положений "Включено"/"Отключено".
Механическая блокировка OptiStart E LAEM1 предназначена для взаимного соединения двух контакторов серии LC1E (от LC1E09 до LC1E32) производства КЭАЗ. Устройство предотвращает одновременное включение двух аппаратов, обеспечивая безопасную и надежную работу реверсивных или пусковых схем электродвигателей.
Блокировка выполнена из прочного пластика и металлических элементов, монтируется непосредственно на контакторы, не требуя дополнительного инструмента. Она гарантирует четкое механическое разделение, исключая возможность подачи двух встречных команд, что защищает оборудование от коротких замыканий и перегрузок.
Сфера применения: система незаменима в сборке реверсивных пускателей, схем автоматического ввода резерва (АВР), управления насосами, вентиляторами и другими трехфазными электродвигателями в промышленных щитах, системах вентиляции, водо- и теплоснабжения.
Механическая блокировка LMI-XB — это специализированный аксессуар для модульных автоматических выключателей серии NXB-63 от CHINT. Устройство предназначено для надежной фиксации выключателей в положении «ВЫКЛ» во время проведения технического обслуживания или ремонтных работ на электроустановке, обеспечивая тем самым безопасность персонала.
Блокировка выполнена из прочного пластика, обладает компактными размерами и простым монтажом без необходимости использования инструментов. Она совместима с большим количеством аппаратов в линейке NXB-63. Основная сфера применения — распределительные щиты коммерческого и промышленного назначения, где строго требуется соблюдение правил электробезопасности (ПТБ). Установка блокировки LMI-XB исключает случайное или несанкционированное включение автомата, что является ключевым требованием при организации безопасной эксплуатации электрооборудования.
Комплект контактов «плашмя» или «на ребро» предназначен для модернизации и ремонта магнитных пускателей серии ПМЛ и контакторов типа КМИ, КТИ, ПМ12, в частности, для стационарного исполнения «Протон-40» (артикул 7007155) и «Протон-63» (в последнем случае требуется два комплекта). Основной артикул комплекта — 7007156.
Изделие представляет собой набор подвижных и неподвижных контактов, изготовленных из высококачественного металлокерамического сплава, что обеспечивает высокую стойкость к электрической эрозии и надежную коммутацию нагрузок. Конструкция позволяет установку в двух положениях — «плашмя» или «на ребро» — для адаптации под различные типы контакторов и условия монтажа.
Комплект применяется для восстановления работоспособности коммутационной аппаратуры, используемой в цепях управления и силовых цепях переменного тока до 660В. Сфера применения охватывает промышленные электрощиты, системы автоматизации производственных линий, управление электродвигателями насосов, вентиляторов и другого трехфазного оборудования.
Использование оригинальных комплектующих гарантирует идеальную геометрическую совместимость, сохранение всех электрических и механических характеристик контактора, а также безопасность и долговечность его дальнейшей эксплуатации.
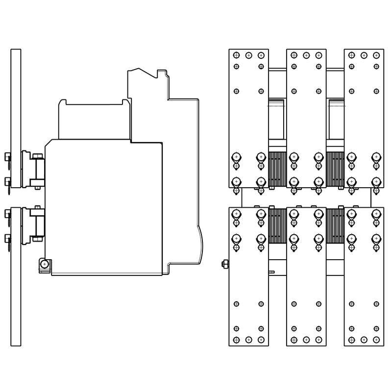
Комплект контактов (шаг 130 мм) предназначен для плоского присоединения стационарного исполнения контактора Протон 40 (7007155). Это оригинальная комплектующая, обеспечивающая надежное и безопасное подключение силовых цепей.
Изделие характеризуется высокой электропроводностью и механической прочностью, рассчитано на номинальный ток до 40А. Шаг 130 мм соответствует стандартному расстоянию между монтажными отверстиями, что упрощает установку на DIN-рейку или панель.
Комплект применяется для модернизации, ремонта и обслуживания магнитных пускателей и контакторов серии Протон в промышленных электрощитах, системах автоматизации и управления электродвигателями на производственных предприятиях, в коммерческих и инфраструктурных объектах.
Использование оригинальных контактов гарантирует долговечную работу аппарата, минимальное переходное сопротивление и полное соответствие требованиям безопасности.
Комплект шин и контактов (шаг 116.5 мм) предназначен для восстановления работоспособности контактора ПРОТОН-25 с передним подключением. Комплект из трех полюсов обеспечивает полное обновление силовой части аппарата.
Изделие соответствует оригинальной спецификации 7007170. Шины выполнены с точным шагом 116.5 мм, что гарантирует беспроблемный монтаж и надежный электрический контакт. Комплект используется для планового обслуживания, ремонта и восстановления контакторов серии ПРОТОН-25, широко применяющихся в цепях управления электродвигателями, системах автоматического ввода резерва (АВР) и промышленных силовых установках.
Использование оригинальных комплектующих продлевает срок службы оборудования, обеспечивает стабильность параметров и безопасность эксплуатации.
Комплект шин и контактов (шаг 130 мм) предназначен для переднего присоединения стационарного контактора Протон-40, артикул 7007172. Данный комплект является оригинальной деталью, обеспечивающей надежное и безопасное подключение силовых цепей.
Изделие характеризуется высокой электропроводностью и стойкостью к нагреву, что гарантирует стабильную работу в условиях значительных коммутационных нагрузок. Стандартизированный шаг 130 мм упрощает монтаж и совместимость с оборудованием.
Основная сфера применения — восстановление и ремонт контакторов серии Протон-40, используемых в системах управления электроприводами, распределительных устройствах и промышленных щитах контроля. Комплект незаменим для обслуживания электрохозяйств предприятий, обеспечивая длительный ресурс работы коммутационной аппаратуры.
Комплект шин для переднего присоединительного выдвижного элемента Протон-25 (Контактор 7007171) — это высоконадежный комплект токопроводящих элементов, обеспечивающий безопасное и стабильное электрическое соединение.
Шаг установки шин составляет 1165 мм, что соответствует стандартным требованиям для данного типа оборудования. Изделие изготовлено из качественных материалов, обеспечивающих высокую электропроводность и стойкость к коррозии.
Комплект предназначен для применения в ячейках выдвижного исполнения серии Протон-25, используемых в распределительных устройствах (РУ) среднего напряжения на электростанциях, промышленных предприятиях и в крупных распределительных сетях. Обеспечивает надежный контакт и бесперебойную работу силового оборудования.
Розетка штепсельная разборная (ШР) 4000020 предназначена для безопасного подключения контрольно-кассовых машин типа «Электрон М» к электрической сети. Изделие обеспечивает надежный контакт и соответствует требованиям эксплуатации для кассового оборудования.
Характеристики: корпус выполнен из ударопрочного пластика, контакты из латуни, номинальное напряжение 220В. Конструкция разборная, что облегчает монтаж и обслуживание.
Сфера применения: используется в комплекте с контрольно-кассовыми машинами «Электрон М» в розничной торговле, предприятиях общественного питания и сферы услуг для организации электропитания ККМ через специальный кабельный ввод.
Комплект механизмов блокировки ПМЛ-(80-100А) УХЛ4 РЕГ от производителя КЭАЗ (каталожный номер 393015) предназначен для модернизации и ремонта автоматических выключателей серии ПМЛ. Данный комплект обеспечивает надежную механическую блокировку двух или трех аппаратов, исключая их одновременное включение, что критически важно для систем АВР (автоматического ввода резерва) и других схем, требующих поочередной работы устройств.
Изделие рассчитано на применение с выключателями на номинальные токи 80А и 100А. Климатическое исполнение УХЛ4 гарантирует стабильную работу в умеренном и холодном макроклимате при температуре от -40°С до +40°С. Комплект обеспечивает четкую фиксацию и предотвращает ошибочные действия персонала, повышая общую безопасность электроустановки.
Сфера применения: комплектация и обслуживание вводно-распределительных устройств (ВРУ), главных распределительных щитов (ГРЩ), щитов автоматического ввода резерва (ЩАВР) и других распределительных систем промышленных и коммерческих объектов.
Блокировка механическая LMI-B1 предназначена для модульных автоматических выключателей серии NB1 производства CHINT. Устройство обеспечивает надежную фиксацию выключателей в положении "ВКЛ" или "ВЫКЛ", предотвращая несанкционированное или ошибочное переключение.
Изделие выполнено из прочного пластика, обладает компактными размерами и простым монтажом без необходимости специального инструмента. Блокировка LMI-B1 является обязательным элементом безопасности в электрощитах, где требуется жесткая регламентация работы цепи.
Применяется в распределительных щитах административных, промышленных и жилых зданий, а также на объектах, где оборудование должно оставаться включенным для бесперебойной работы систем вентиляции, освещения, сигнализации или, наоборот, быть гарантированно отключенным при проведении ремонтных работ.
Перегородка межполюсная TQQ-MGS1600IB3 — ключевой элемент для организации безопасного и упорядоченного монтажа в низковольтных комплектных устройствах. Предназначена для установки в аппараты серии MGS1600, обеспечивая надежное изоляционное разделение между соседними полюсами автоматических выключателей или других модульных аппаратов.
Изделие изготовлено из высококачественного самозатухающего пластика, что гарантирует стойкость к воздействию высокой температуры и механическую прочность. Комплект из 4 штук позволяет полностью укомплектовать распределительный шкаф, предотвращая случайное короткое замыкание и повышая общий уровень электробезопасности установки.
Сфера применения: монтаж и модернизация вводно-распределительных устройств (ВРУ), главных распределительных щитов (ГРЩ), этажных и квартирных щитков на объектах промышленного и гражданского строительства.
Комплект механизмов блокировки ПМЛ-(40-63А) УХЛ4 РЕГ от производителя КЭАЗ предназначен для модернизации и ремонта автоматических выключателей серии ПМЛ. Устройство обеспечивает надежную механическую блокировку двух или трех выключателей, исключая их одновременное включение для повышения безопасности при эксплуатации.
Изделие рассчитано на номинальный ток от 40 до 63 А и имеет климатическое исполнение УХЛ4, что позволяет использовать его в умеренном и холодном климате внутри отапливаемых помещений. Комплект соответствует строгим стандартам качества и безопасности.
Основная сфера применения — оснащение вводно-распределительных устройств, главных и вторичных распределительных щитов на промышленных предприятиях, коммерческих объектах и в жилых зданиях. Механизм блокировки критически важен для систем АВР (автоматического ввода резерва) и схем, где необходимо гарантировать раздельное питание от разных источников.
Использование данного комплекта повышает надежность электроустановки, предотвращает аварийные ситуации и обеспечивает безопасность персонала при обслуживании электрооборудования.
Шасси DOB23F-M8 предназначено для выкатного исполнения автоматических выключателей серии NM8N-630 с передним присоединением и номинальным током до 630А от компании CHINT. Это ключевой компонент для организации мобильных модулей в низковольтных комплектных устройствах (НКУ).
Конструкция шасси обеспечивает надежную фиксацию и легкое перемещение выкатного элемента, что критически важно для оперативного технического обслуживания, ремонта или замены аппарата без обесточивания всей системы. Совместимость с аппаратами стандарта EN/EM и исполнением (R) гарантирует соответствие международным требованиям.
Сфера применения: шасси используется при сборке вводно-распределительных устройств (ВРУ), главных распределительных щитов (ГРЩ), а также распределительных щитов этажных и производственных. Оно востребовано в промышленном и гражданском строительстве, на объектах инфраструктуры и энергетики, где предъявляются высокие требования к бесперебойности электроснабжения и удобству эксплуатации оборудования.
Артикул производителя: 398739.
Блок резисторов Б6 У2 ИРАК 434.332.004-08 (Резистор КЭМ ПК000000283) представляет собой надежный элемент электрических цепей, предназначенный для регулирования тока и напряжения, а также рассеивания тепловой энергии.
Изделие выполнено в металлическом защищенном корпусе, что обеспечивает высокую механическую прочность и устойчивость к внешним воздействиям. Оно характеризуется стабильными параметрами сопротивления, низким уровнем собственных шумов и хорошей перегрузочной способностью.
Данный блок резисторов находит широкое применение в промышленной и силовой электронике, в цепях управления и автоматики, в составе различного электрооборудования станков, преобразователей и источников питания. Он востребован для ремонта и модернизации аппаратуры, где необходимы надежные и долговечные элементы нагрузки или регулировки.
Исполнение У2 гарантирует эффективную работу в условиях умеренного климата, что делает его универсальным решением для многих отраслей промышленности.
Блок резисторов Б6 У2 ИРАК 434.332.004-07 (Резистор КЭМ ПК000000292) представляет собой надежный сборный резистивный элемент, предназначенный для эксплуатации в составе различной электронной аппаратуры. Изделие выполнено в металлическом защищенном корпусе, что обеспечивает высокую механическую прочность и устойчивость к внешним воздействиям.
Основные характеристики: номинальная мощность рассеивания — 6 Вт, исполнение У2 (для умеренного климата), проволочные резисторы с малым ТКС, что гарантирует стабильность параметров при изменении температуры. Блок обладает высокой перегрузочной способностью и длительным сроком службы.
Сфера применения включает промышленную и специальную электронику, устройства автоматики и телемеханики, источники питания, цепи управления и нагрузки, а также используется для ремонта и модернизации радиоэлектронного оборудования. Блок резисторов соответствует техническим условиям и является качественным компонентом для построения надежных схем.
Рукоятка выносная TFH-MGS1600EH — это специализированная фурнитура, предназначенная для организации дистанционного управления дверьми со встроенными системами MGS. Данная модель совместима с замковым механизмом YALE MGS 1600/1610, что делает её идеальным решением для современных офисных, коммерческих и подъездных дверей.
Изделие отличается прочной конструкцией, выполненной из качественных материалов, обеспечивающих долговечность и устойчивость к интенсивным ежедневным нагрузкам. Удобная эргономичная форма рукоятки гарантирует комфортное использование. Монтаж осуществляется на расстоянии от замка, что позволяет скрыть механизм и повысить эстетику дверного полотна, сохраняя все функциональные возможности.
Сфера применения рукоятки включает оснащение входных групп в бизнес-центры, офисы, банковские учреждения, а также подъезды многоквартирных домов, где требуется надежное и удобное решение для управления доступом.
