Счетчик времени СВ01-24.Щ1 от компании ОВЕН — это многофункциональный прибор, предназначенный для контроля и учета времени работы промышленного оборудования. Он ведет подсчет моточасов, фиксируя продолжительность функционирования подключенных устройств, что позволяет своевременно проводить техническое обслуживание и планировать ремонты.
Модель оснащена электромеханическим счетным механизмом с шестью разрядами, обеспечивающим наглядность и надежность. Прибор работает от сети переменного тока 24 В и имеет компактный корпус щитового исполнения для монтажа на стандартную DIN-рейку. Его ключевое преимущество — гальваническая развязка целей питания и счетчика, что повышает устойчивость к помехам в промышленных сетях.
Счетчик СВ01-24.Щ1 находит широкое применение в системах автоматизации для учета времени работы электродвигателей, вентиляционных установок, насосов, станков и другого производственного оборудования. Он является незаменимым элементом для сервисных служб и инженеров, отвечающих за бесперебойную работу технологических линий и продление срока службы дорогостоящей техники.
Счетчик времени СВ01-24.Щ1.Р от производителя ОВЕН (артикул 43488) — это многофункциональный прибор, предназначенный для точного учета и индикации времени работы технологического оборудования. Он находит широкое применение в промышленности для контроля моторесурса, планирования технического обслуживания и управления сервисными интервалами станков, насосов, вентиляционных систем и других устройств.
Модель оснащена электромеханическим счетным механизмом с 6 разрядами, обеспечивающим высокую надежность и наглядность показаний. Прибор работает от сети переменного тока 24 В и имеет компактный корпус щитового исполнения для монтажа на стандартную DIN-рейку, что упрощает его интеграцию в электрические шкафы и распределительные устройства. Счетчик ведет учет времени в часах с точностью до 0,1 часа, что позволяет точно отслеживать продолжительность эксплуатации и своевременно проводить планово-предупредительные работы, повышая общую надежность и эффективность производственных процессов.
Счетчик времени работы CLG-04 от бренда Евроавтоматика F&F — это надежное и универсальное устройство для точного учета и индикации времени работы оборудования. Прибор предназначен для работы от стандартной сети переменного тока 100-240В AC/DC, а также имеет резервное питание от литиевой батареи 3DC (CR14335), что гарантирует сохранность данных при отключении основного питания.
Счетчик находит широкое применение в промышленности для контроля наработки ресурса станков, двигателей, систем вентиляции и другого оборудования. Он незаменим для планирования технического обслуживания, ремонтов и для анализа эффективности использования техники. Благодаря компактному корпусу и простому монтажу, устройство легко интегрируется в существующие электрические щиты и системы управления.
Счетчик моточасов СИМ-05ч-2-17 AC400В УХЛ4 от производителя «Меандр» — это надежный и точный прибор, предназначенный для учета и индикации общего времени работы различного электрооборудования. Модель A8302-16935697 оснащена электромеханическим счетным механизмом, обеспечивающим высокую надежность и долговечность.
Основные характеристики: номинальное напряжение 400 В переменного тока, климатическое исполнение УХЛ4 для эксплуатации в умеренном и холодном макроклимате. Счетчик имеет прочный корпус, защищающий внутренние компонты от пыли и механических воздействий.
Сфера применения: прибор незаменим для контроля наработки и планирования технического обслуживания промышленного оборудования, станков, генераторов, вентиляционных систем, насосов и другого оборудования. Он широко используется в производственных цехах, энергетике, сельском хозяйстве и ЖКХ для повышения эффективности и продления срока службы техники.
Счетчик моточасов СИМ-05ч-1-09 от производителя «Меандр» — это надежный и точный прибор, предназначенный для учета и индикации суммарной наработки оборудования в часах. Устройство работает от сети переменного тока 230 В и отличается высокой стабильностью и долговечностью.
Основные характеристики:
- Напряжение питания: 230 В переменного тока
- Классификация климатического исполнения: УХЛ2 (для умеренного и холодного климата)
- Специальное исполнение для работы в сложных условиях
- Четкий и легко читаемый цифровой индикатор
Сфера применения: Данный счетчик моточасов незаменим для контроля ресурса и планирования технического обслуживания различного промышленного оборудования, двигателей, станков, насосных установок, систем вентиляции и другого электрооборудования. Он позволяет точно отслеживать время работы, что способствует увеличению межремонтного интервала и предотвращению внезапных поломок.
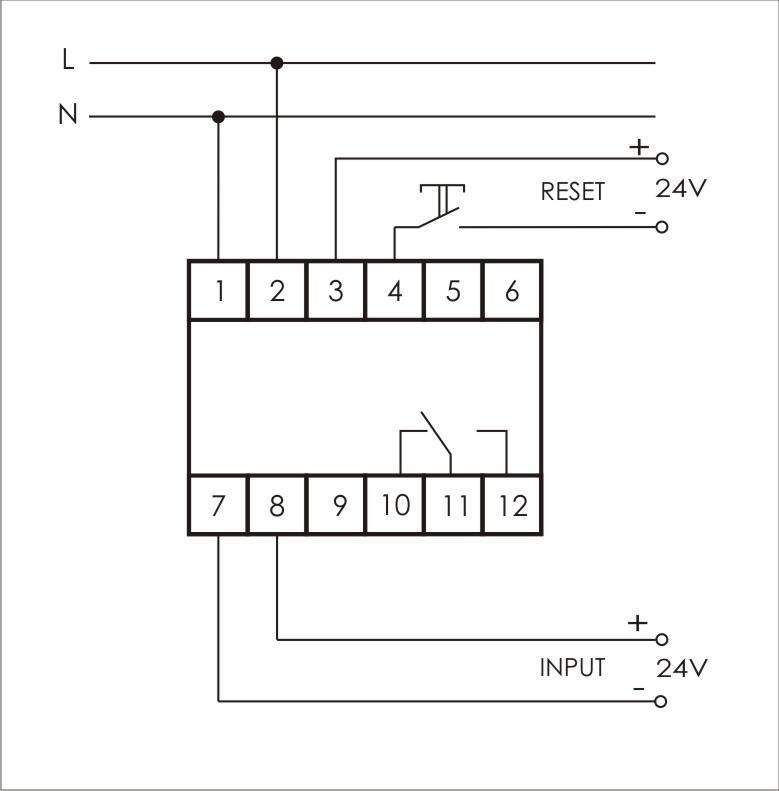
Счетчик времени работы CLG-03 — это многофункциональное реле для точного учета моточасов и управления нагрузкой. Устройство работает в широком диапазоне напряжений 24-264В AC/DC и коммутирует нагрузку до 8А через универсальное реле с контактами 1NO/NC. Счетчик ведет прямой отсчет импульсов (от 1 до 999 999), что позволяет точно фиксировать время работы оборудования.
Ключевые особенности включают вход для внешнего сброса показаний, функцию блокировки управления с помощью PIN-кода для ограничения доступа, а также компактный корпус для монтажа на DIN-рейку. Степень защиты IP20 обеспечивает безопасную эксплуатацию в электрощитах.
Прибор идеально подходит для применения в промышленной автоматике, для учета ресурса электродвигателей, вентиляционных систем, насосов, освещения и другого оборудования, где требуется контроль наработки и автоматическое управление.
Счетчик времени СВ01-220.Н.Р.RS от компании ОВЕН (артикул 42414) — это многофункциональный электронный прибор, предназначенный для контроля и учета времени работы промышленного оборудования. Устройство оснащено релейным выходом для управления внешними цепями и поддерживает работу в двух основных режимах: «Счетчик времени» для фиксации наработанных часов и «Реле времени» для задания временных интервалов включения/выключения.
Счетчик питается от сети переменного тока 220 В и монтируется на стандартную DIN-рейку, что обеспечивает легкую установку в электрощитах. Он находит широкое применение для автоматизации технологических процессов, управления системами вентиляции, освещения, насосами, а также для контроля моторесурса станков, компрессоров и другого производственного оборудования. Прибор повышает эффективность и надежность работы систем, позволяя проводить своевременное техническое обслуживание.
Счетчик часов CONTA Orbis OB180801 — это надежный и точный прибор, предназначенный для учета времени наработки оборудования. Устройство устанавливается в стандартный бокс CONTA 12/80В, что обеспечивает удобный монтаж и интеграцию в существующие электрощиты.
Счетчик характеризуется широким диапазоном рабочего напряжения от 80 до 265 В переменного/постоянного тока, что делает его универсальным для различных промышленных применений. Он оснащен большим 7-сегментным ЖК-дисплеем, обеспечивающим четкую индикацию показаний. Прибор ведет учет времени в часах и минутах с максимальным значением до 999999 часов.
Данная модель незаменима для контроля времени работы станков, производственных линий, систем вентиляции, насосного оборудования и других электроустановок. Его применение позволяет своевременно проводить техническое обслуживание, плановые ремонты и прогнозировать ресурс оборудования, что повышает надежность и эффективность производственных процессов.
Счетчик времени наработки СВ01-220.Щ1.Р от бренда ОВЕН (артикул 42416) — это надежный электромеханический прибор, предназначенный для точного учета и контроля времени работы промышленного оборудования. Устройство монтируется на стандартную DIN-рейку и ведет отсчет при подаче напряжения 220 В, что делает его универсальным решением для автоматизации.
Основные характеристики: шестиразрядный счетчик с реле времени, диапазон измерений до 999999 часов, номинальное напряжение 220 В, исполщение щитовое. Корпус имеет высокую степень защиты, обеспечивая долговечность и стабильность в условиях производства.
Сферы применения: прибор незаменим для ведения технического обслуживания, планирования ремонтов и мониторинга ресурса станков, вентиляционных систем, насосного оборудования, систем освещения и других электроустановок. Его использование позволяет оптимизировать сервисные интервалы и предотвращать преждевременные поломки.
Счетчик времени СВ01-220.Щ2.Р ОВЕН 42417 — это многофункциональный электронный прибор, предназначенный для точного учета и индикации времени наработки оборудования. Он находит широкое применение в промышленности для контроля ресурса станков, электродвигателей, вентиляционных систем и другого электрооборудования.
Устройство отличается высокой надежностью и простотой эксплуатации. Ключевые характеристики: номинальное напряжение 220 В, наличие встроенного реле для управления внешними цепями, цифровой ЖК-дисплей для четкого отображения информации (часы, минуты, дни), а также функция программирования и сброса показаний. Корпус прибора выполнен для установки на стандартную DIN-рейку в электрощите, что обеспечивает удобный монтаж и компактное размещение.
Счетчик незаменим для организации планового технического обслуживания, предотвращения внезапных поломок и оптимизации производственных процессов, позволяя точно отслеживать время работы техники.
Счетчик моточасов СИМ-05ч-1-09 от производителя «Меандр» — это надежный прибор, предназначенный для точного учета и индикации суммарного времени наработки оборудования. Устройство ведет отсчет в секундах, минутах и часах, что обеспечивает гибкий контроль за эксплуатацией техники.
Модель рассчитана на работу в сети переменного тока с напряжением 230В и соответствует климатическому исполнению УХЛ4, что позволяет использовать ее в широком диапазоне условий. Основная сфера применения включает промышленное оборудование, системы вентиляции, насосные станции, генераторы и другие устройства, где критически важен контроль их ресурса для своевременного проведения технического обслуживания и предотвращения преждевременных поломок.
Артикул: A8302-16935604. Этот счетчик является незаменимым инструментом для планирования ремонтов и оптимизации производственных процессов.
Счетчик моточасов СИМ-05ч-1-09 УХЛ4 предназначен для точного измерения и индикации суммарного времени наработки оборудования. Прибор ведет учет в удобных для оператора единицах: секундах, минутах и часах, что позволяет гибко контролировать технические ресурсы.
Ключевой особенностью модели является работа в цепях переменного тока с напряжением до 400 В. Исполнение УХЛ4 гарантирует стабильную работу в широком диапазоне климатических условий. Счетчик находит применение для мониторинга наработки промышленного оборудования, станков, генераторов, вентиляционных систем и другого электрооборудования, где критически важен контроль межсервисных интервалов и планирование технического обслуживания.
Артикул производителя: A8302-16935611.
Счетчик моточасов СИМ-05ч-1-09 от производителя «Меандр» — это надежный и точный прибор, предназначенный для учета и индикации суммарной наработки оборудования в часах. Модель работает от широкого диапазона постоянного напряжения 10–30 В, что делает ее универсальной для различных систем.
Основные характеристики: 6-разрядный ЖК-индикатор, высокая точность измерения, взрывобезопасное исполнение и климатическое исполнение УХЛ2 для работы в умеренном и холодном климате. Счетчик ведет учет времени с момента подачи питания, что идеально подходит для контроля ресурса двигателей, генераторов, насосов и другого промышленного оборудования.
Сфера применения включает промышленную автоматику, транспорт, строительную и сельскохозяйственную технику, а также системы жизнеобеспечения. Этот прибор является специализированным решением для своевременного проведения технического обслуживания и предотвращения преждевременного износа дорогостоящих агрегатов.
Счетчик моточасов СИМ-05ч-13 AC230В УХЛ2 от производителя «Меандр» — это надежный и точный прибор, предназначенный для учета и индикации суммарной наработки оборудования в часах. Он незаменим для контроля технического обслуживания и планирования ремонтов.
Основные характеристики: Рабочее напряжение 230 В переменного тока, класс защиты IP40. Счетчик имеет строгий промышленный дизайн и предназначен для работы в умеренном и холодном климате (УХЛ2).
Сферы применения: Прибор широко используется для учета времени работы различных устройств: систем вентиляции, промышленных станков, насосного оборудования, генераторов, а также в составе другого производственного и технологического оснащения. Это позволяет своевременно проводить ТО и повышать ресурс дорогостоящей техники.
Счетчик моточасов СИМ-05ч-2-17 от производителя «Меандр» — это надежный и точный прибор, предназначенный для учета и индикации общего времени работы оборудования, питающегося от сети переменного тока 230 В. Устройство имеет класс защиты УХЛ4, что позволяет его эксплуатацию в умеренном и холодном макроклимате.
Основная сфера применения счетчика — контроль наработки и планирование технического обслуживания различного электрооборудования. Он идеально подходит для установки в промышленные станки, системы вентиляции, насосное оборудование, генераторы и другие устройства, где критически важен учет отработанного времени для своевременного проведения ТО и предотвращения преждевременного износа.
Модель отличается высокой точностью измерений, прочным корпусом, рассчитанным на длительную эксплуатацию в условиях производства, и простотой монтажа. Это незаменимое решение для обеспечения надежности и увеличения ресурса дорогостоящей техники.
Счетчик времени СВ01-24.Щ1.Р.RS от ОВЕН — это многофункциональный прибор, предназначенный для точного учета и контроля времени работы промышленного оборудования. Модель 42413 оснащена релейным выходом для управления внешними цепями и интерфейсом RS-485 для интеграции в системы автоматизации, что позволяет дистанционно считывать данные и настраивать параметры.
Прибор отличается высокой надежностью, компактным корпусом для установки на DIN-рейку и широким диапазоном питающего напряжения 24 В. Он находит применение для учета моточасов электродвигателей, насосов, вентиляционных систем, а также для управления техническим обслуживанием и контроля ресурса оборудования в промышленности, ЖКХ и энергетике.
Счетчик времени СВ01-220.Щ1 от компании ОВЕН (артикул 42415) — это многофункциональный прибор, предназначенный для точного учета и индикации времени наработки оборудования. Он находит широкое применение в промышленности для контроля ресурса электродвигателей, станков, вентиляционных систем и другого силового оборудования.
Устройство отличается высокой надежностью и простотой эксплуатации. Ключевые характеристики: номинальное напряжение питания 220 В, наличие электромеханического счетчика с 6 разрядами для точного отображения времени в часах и минутах, а также класс защиты IP50, который обеспечивает защиту от пыли и случайных прикосновений. Счетчик СВ01-220.Щ1 является неотъемлемым элементом систем планово-предупредительного ремонта (ППР), позволяя своевременно проводить техническое обслуживание и повышая общую надежность производственных процессов.
Счетчик моточасов СИМ-05ч-2-17 DC10-30В УХЛ2 (спец.) предназначен для точного измерения и индикации суммарного времени наработки оборудования. Прибор ведет подсчет в удобных единицах измерения: секундах, минутах и часах, что обеспечивает гибкость контроля за различными технологическими процессами.
Устройство работает от широкого диапазона постоянного напряжения 10-30 В и предназначено для эксплуатации в умеренном и холодном климате (УХЛ2). Благодаря своей надежности и специализированному исполнению, данный счетчик находит применение в промышленной автоматике, на транспорте (для учета работы двигателей и вспомогательных систем), в испытательных стендах и для мониторинга рабочего времени любого оборудования, требующего строгого учета ресурса.
Модель A8302-16935703 от производителя «Меандр» — это надежное решение для задач автоматизированного контроля и планирования технического обслуживания.
